
[廠家直銷、加工定制]

[無能耗、無污染]

[磁力強勁、使用壽命長]

溫馨提示
產品價格、參數僅供參考,詳情請來電或旺旺咨詢!
如果不經過協商而直接下單,恕不發貨!敬請見諒!謝謝配合!


管道式粉料除鐵器產品說明及示意方式
一、適應范圍
管道式磁性過濾器(管道式粉料除鐵器)主要用于清除粉狀、片狀及顆粒狀原料中的鐵磁性雜質,廣泛適用于陶瓷、電力、礦業、塑料、化工、橡膠、制藥、食品、環保、顏料、染料、電子、冶金等行業。
二、工作原理:
管道式粉料除鐵器是將采用優質不銹鋼管和高B值稀土合金釹鐵硼等材料,并使用特殊的制作方法制作而成的磁性過濾棒(磁棒),固定在由優質不銹鋼板材制成的框架中,構成磁性過濾器。使用法蘭將其安裝在生產線輸送管道中或出料口處,當含鐵物料通過時,受到磁力棒的吸引,將含鐵的物質牢固的吸附在管壁上,以保證設備的完好和產品的安全。
三、產品特點:
無能耗、無污染、結構簡單、可安裝于生產線輸送管道中或出料口處,節約空間,安裝方便,磁棒采用交錯式排列方式,磁間距設計周密,使強磁區域得以更加充分的利用。
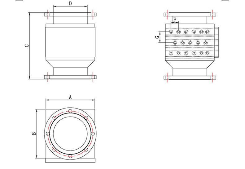
四、管道式除鐵器規格及交付說明:
管道式除鐵器的規格比較多,具體尺寸可按客戶實際情況設計制造。3件以內訂單回簽以后2周內交貨。

產品編號
法蘭
型號
A
B
C
D
F
G
磁棒
直徑
磁力架
層數
磁棒
總數
FL10002
國標DN100
160
160
370
Ø110
50
70
Ø25
2
5
FL10003
440
50
70
Ø25
3
8
FL15002
國標DN150
220
220
370
Ø161
50
70
Ø25
2
7
FL15003
440
50
70
Ø25
3
11
FL20002
國標DN200
270
270
370
Ø222
50
70
Ø25
2
9
FL20003
440
50
70
Ø25
3
14
FL25002
國標DN250
330
330
370
Ø276
50
70
Ø25
2
11
FL25003
440
50
70
Ø25
3
17
FL30002
國標DN300
380
380
370
Ø328
50
70
Ø25
2
13
FL30003
440
50
70
Ø25
3
20